多多28
0577-62888098
首页
关于多多28
荣誉资质
产品中心
DW16M-400-630 自动灭磁开关
DW15、DW16、DW17系列 万能式断路器
万能式断路器DW15系列
万能式断路器DW16 系列
冲压件系列
智能型万能式断路器DW45 系列
JLGL 系列隔离开关
JLGLC 系列隔离开关
JLGLCK 系列隔离开关
JLGLZ1 系列转换隔离开关
JLGLR 系列隔离开关熔断器组
JLGLD 系列自动转换开关
新闻资讯
公司新闻
行业资讯
下载中心
联系多多28
英文版
产品中心
Product Course
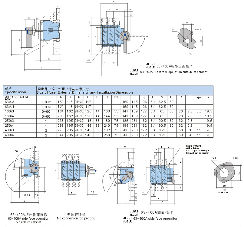
JLGLR-400A-4
产品图片
概述
产品详情
返回列表